The Multi-Bit Shift Register with both Sync and Async Set/Resetkeyword models a combination of a clocked data type register and a shift register which can shift multiple bits on a clock edge. When the register is left shifting, the LSBs shifted into the register are controlled by the LFILL pin; during a right shift, the MSBs shifted into the register are controlled by the RFILL pin. The clock edge for the register can be set with the Trigger Condition parameter to be a rising edge (0_TO_1) or a falling edge (1_TO_0). both asynchronous and synchronous set and reset inputs are provided. The active logic level of the inputs can be configured with the Set/Reset Level and Load/Shift Level parameters.
For the multi-bit shift register with either asynchronous or synchronous set and reset inputs, see Shift Register (Multi-bit).
In this topic:
| Model Name: | Multi-Bit Shift Register with both Sync and Async Set/Reset | |||
| Simulator: | ![]() |
This device is compatible with the SIMPLIS simulator. | ||
| Parts Selector Menu Location: | ||||
| Symbol Library: | None - the symbol is automatically generated when placed or edited. | |||
| Model Library: | None - the model is automatically generated when the simulation is run. | |||
| Subcircuit Names: |
|
|||
| Symbol: |
|
|||
| Multiple Selections: | Only one device at a time can be edited. | |||
To configure the Multi-Bit Shift Register with both Sync and Async Set/Reset, follow these steps:

| Label | Parameter Description |
| Clock to Output Delay | Delay from the triggering clock event until the Register outputs change |
| Number of Bits | Number of input bits to the Register |
| Trigger Condition | Determines the
triggering condition of the Register clock pin:
|
| Ground Ref | Determines whether or not a device has a ground reference pin. Any digital component that has an input or output pin connected to an analog circuit node must have its Ground Ref pin connected to an analog node. This is usually the ground on the schematic. |
| Minimum Clk Width | Minimum valid clock width. Clock widths less than this parameter will not trigger the Register. |
| Setup Time | Minimum time before the triggering clock event that the input signals must remain steady so that a valid change in each input state is recognized. |
| Hold Time | Minimum time after the triggering clock event that the input signals must remain steady so that a valid change in each input state is recognized. |
| Initial Condition | Initial condition of the Register output at time=0 |
| Left/Right Level | Determines the logic
level of the shift register left/right ( L/R ) pin:
|
| Load/Shift Level | Determines the logic
level of the shift register load/shift ( LD/SH ) pin:
|
To define the parameters for the Set/Reset, follow these steps:

| Label | Parameter Description |
| Set/Reset Level | Determines the
Set/Reset level of a device:
|
| Set To | Determines the shift register output value when the asynchronous set pin goes active |
| Reset To | Determines the shift register output value when the asynchronous reset pin goes active |
| Set/Reset Delay | Delay from when the SET or RST pin goes active until the Q output is actually set or reset. |
| Set To | Determines the shift register output value when the synchronous set pin goes active |
| Reset To | Determines the shift register output value when the synchronous reset pin goes active |
To define the parameters for the interface between this digital component and each analog component connected directly to an input or output pin, follow these steps:

| Label | Parameter Description | |||||||
| Input Resistance | Input resistance of each Register input pin | |||||||
| Hysteresis, Threshold | ![]() |
Hysteresis and
Threshold of the inputs. The hysteretic-window width, HYSTWD
is centered around Threshold (TH) voltage. To
determine the actual threshold ( TL , THI ),
substitute Threshold (TH) and Hysteresis
(HYSTWD) in each of the following formulas:
|
||||||
| Output Resistance | Output resistance of each Register output pin | |||||||
| Output High Voltage | Output high voltage for each Register output pin | |||||||
| Output Low Voltage | Output low voltage for each Register output pin | |||||||
The following truth table assumes these parameter values:
When the EN input is high and the Load/Shift Level=Load_1/Shift_0, the register will load the D input when the LD/SH pin is high and shift the Q output when the LD/SH pin is low.
| Inputs | Output | Action | |||||||||
| LD/SH | SET | RST | ASET | ARST | EN | L/R | LFILL | RFILL | CLK | Q | |
| 0 or 1 | 0 | 0 | 0 | 0 | 0 | 0 or 1 | 0 or 1 | 0 or 1 |
![]() |
Last Q | Retain state |
| 1 | 0 | 0 | 0 | 0 | 1 | 0 or 1 | 0 or 1 | 0 or 1 |
![]() |
Data input | Load data |
| 0 | 0 | 0 | 0 | 0 | 1 | 0 | 0 | 0 or 1 |
![]() |
Q = Last Q shifted left SC bits, fill LSBs with 0's. | Shift left |
| 0 | 0 | 0 | 0 | 0 | 1 | 1 | 0 or 1 | 0 |
![]() |
Q = Last Q shifted right, fill MSBs with 0's. | Shift Right |
| 0 | 0 | 0 | 0 | 0 | 1 | 0 | 1 | 0 or 1 |
![]() |
Q = Last Q shifted left, fill LSBs with 1's. | Shift left |
| 0 | 0 | 0 | 0 | 0 | 1 | 1 | 0 or 1 | 1 |
![]() |
Q = Last Q shifted right, fill MSBs with 1's. | Shift Right |
| 0 or 1 | 1 | 0 | 0 | 0 | 0 or 1 | 0 or 1 | 0 or 1 | 0 or 1 |
![]() |
Synchronous Set To value | Synchronous set |
| 0 or 1 | 0 | 1 | 0 | 0 | 0 or 1 | 0 or 1 | 0 or 1 | 0 or 1 |
![]() |
Synchronous Reset To value | Synchronous reset |
| 0 or 1 | 0 or 1 | 0 or 1 | 1 | 0 | 0 or 1 | 0 or 1 | 0 or 1 | 0 or 1 | 0 or 1 | Asynchronous Set To value | Asynchronous set |
| 0 or 1 | 0 or 1 | 0 or 1 | 0 | 1 | 0 or 1 | 0 or 1 | 0 or 1 | 0 or 1 | 0 or 1 | Asynchronous Reset To value | Asynchronous reset |
| 0 or 1 | 1 | 1 | 0 | 0 | 0 or 1 | 0 or 1 | 0 or 1 | 0 or 1 |
![]() |
Last Q | Illegal concurrent SET and RST |
| 0 or 1 | 0 or 1 | 0 or 1 | 1 | 1 | 0 or 1 | 0 or 1 | 0 or 1 | 0 or 1 | 0 or 1 | Last Q | Illegal concurrent ASET and ARST |
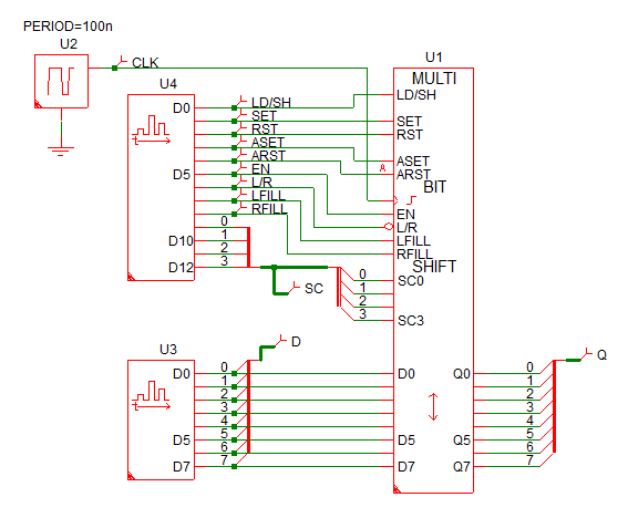
The test circuit used to generate the waveform examples in the next section can be downloaded here: simplis_048_shiftregistermultibit_example.zip.
To simulate this design, follow these steps:

This example of the multi-bit shift register with both async and sync set/reset uses two Digital Signal Sources to generate the input pulses to the multi-bit shift register with both async and sync set/reset. The input source waveforms are defined in a text file with each state transition defined on a single line. These two sources excite every state transition in the truth table.
For clarity, the simulation waveforms taken from the circuit example have been divided into two sections.

| Time | Event | Q Output (binary) |
| 100n | Load | 0000 0101 |
| 200n | Retain state | 0000 0101 |
| 300n | Shift left 4 places | 0101 0000 |
| 400n | Shift right 2 places | 0001 0100 |
| 500n | Shift right 2 places | 0000 0101 |
| 600n | Shift left 2 places, fill with 1's | 0001 0111 |
| 700n | Shift right 2 places, fill with 1's | 1100 0101 |
| 900n | Load | 0000 0101 |

| Time | Event | Q Output |
| 1.1u | Synchronous set | 156 |
| 1.2u | Synchronous reset | 2 |
| 1.3u | Load | 5 |
| 1.4u | Illegal concurrent SET and RST | 5 |
| 1.52u | Asynchronous set | 200 |
| 1.62u | Asynchronous reset | 1 |
| 1.7u | Load | 5 |
| 1.82u | Illegal concurrent ASET and ARST | 5 |
Because the Multi-Bit Shift Register with both Sync and Async Set/Reset model is generated by a template script when the simulation is executed, a hand-coded model cannot be inserted into a netlist. The template script for this device is simplis_make_register_model.sxscr, which licensed users can download as part of a zip archive of all built-in scripts.
To download the zip archive, follow these steps:
The following parameter table defines the parameters used in this model.
| Parameter Name | Label | Data Type | Range | Units | Parameter Description | |||||||
| CLK_TO_OUT_DELAY | Clock to Output Delay | Number | 1f to 1024 | s | Delay from the triggering clock event until the Register outputs change | |||||||
| GNDREF | Ground Ref | String |
|
none | Determines whether or not a device has a ground reference pin. Any digital component that has an input or output pin connected to an analog circuit node must have its Ground Ref pin connected to an analog node. This is usually the ground on the schematic. | |||||||
| HOLD_TIME | Hold Time | Number | 1f to 1024 | s | Minimum time after the triggering clock event that the input signals must remain steady so that a valid change in each input state is recognized. | |||||||
| HYSTWD, TH |
Hysteresis, Threshold |
Number | min: 1f | V | ![]() |
Hysteresis and Threshold of
the inputs. The hysteretic-window width, HYSTWD is centered around
Threshold (TH) voltage. To determine the actual threshold (
TL , THI ), substitute Threshold (TH) and
Hysteresis (HYSTWD) in each of the following formulas:
|
||||||
| IC | Initial Condition | Number |
|
none | Initial condition of the Register output at time=0 | |||||||
| LEFT_LEVEL | Left/Right Level | Integer | none | Determines the logic level of
the shift register left/right ( L/R ) pin:
|
||||||||
| LOAD_LEVEL | Load/Shift Level | Integer | none | Determines the logic level of
the shift register load/shift ( LD/SH ) pin:
|
||||||||
| MIN_CLK | Minimum Clk Width | Number | 1f to 1024 | s | Minimum valid clock width. Clock widths less than this parameter will not trigger the Register. | |||||||
| NUMBITS | Number of Bits | Integer | none | Number of input bits to the Register | ||||||||
| RESET_TO_ASYNC | Reset To | Number | none | Determines the shift register output value when the asynchronous reset pin goes active | ||||||||
| RESET_TO_SYNC | Reset To | Number | none | Determines the shift register output value when the synchronous reset pin goes active | ||||||||
| RIN | Input Resistance | Number | min: 100 | Ω | Input resistance of each Register input pin | |||||||
| ROUT | Output Resistance | Number | min: 1m | Ω | Output resistance of each Register output pin | |||||||
| SETUP_TIME | Setup Time | Number | 1f to 1024 | s | Minimum time before the triggering clock event that the input signals must remain steady so that a valid change in each input state is recognized. | |||||||
| SET_RESET_DELAY | Set/Reset Delay | Number | 1f to 1024 | s | Delay from when the SET or RST pin goes active until the Q output is actually set or reset. | |||||||
| SET_RESET_LEVEL | Set/Reset Level | Number |
|
none | Determines the Set/Reset
level of a device:
|
|||||||
| SET_TO_ASYNC | Set To | Number | none | Determines the shift register output value when the asynchronous set pin goes active | ||||||||
| SET_TO_SYNC | Set To | Number | none | Determines the shift register output value when the synchronous set pin goes active | ||||||||
| TRIG_COND | Trigger Condition | String |
|
none | Determines the triggering
condition of the Register clock pin:
|
|||||||
| VOH | Output High Voltage | Number | any | V | Output high voltage for each Register output pin | |||||||
| VOL | Output Low Voltage | Number | any | V | Output low voltage for each Register output pin | |||||||