Every device model used in a SIMPLIS simulation uses Piecewise Linear (PWL) modeling techniques. This includes semiconductor devices such as MOSFETs and Diodes. In this topic you will learn how SIMPLIS models non-linear devices with PWL models.
In this topic:
This topic addresses the following key concepts:
In this topic, you will learn the following:
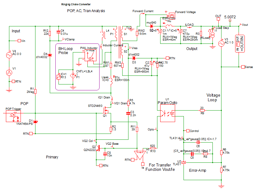
This topic uses a self-oscillating flyback converter to demonstrate PWL modeling techniques. The converter is intentionally overloaded, causing the converter to enter into a current limited operation. To get started with this example, follow these steps:

| Time Domain Waveforms | B-H Loop of Time Domain Model |
|
|
|
The left hand graph contains two curves, the Load Step in green, and the Magnetizing Inductor Current in red.
During the transient simulation, a one amp load step is applied at 100us. During this load step, the total load current transitions from a 2A full load condition to a 3A overload condition with the consequence that the transformer enters into saturation. The current limit function is triggered and the output voltage drops.
This overload condition demonstrates how a PWL inductor models transformer saturation. The following two graphs show a close-up view of the time-domain magnetizing inductor waveform and the flux linkage versus current plane on which PWL inductors are defined. Each of these three PWL inductor segments can be seen in both the transient simulation results and in the x-y plot of the flux linkage versus current plane show below:
| Saturating Magnetizing Current | B-H Loop |
|
|
The saturation of this transformer is modeled with three PWL segments in the flux linkage versus current plane. Because the slope of this curve is the magnetizing inductance, the magnetizing inductance can take on three distinct values:
What about the Diodes and the MOSFET on the schematic? Are these PWL models as well? Yes!
As an example, the output rectifier in the Self-Oscillating Converter has the following Forward Current and Forward Voltage curves during the transient simulation. The left hand graph has the Forward Current and Forward Voltage plotted vs. Time. In the right-hand graph, the Forward Current is plotted versus the Forward Voltage for this diode. The blue curve is the 3 segment SIMPLIS PWL model. The red curve is the SIMetrix simulation results for SPICE model of the same diode.
| Voltage and Current vs. Time | Voltage vs. Current |
|
|
The annotated points describe the following diode states:
An in depth discussion of MOSFET modeling is presented in section 1.0.3 Multi-Level Modeling.